商品評價 :
分享 :
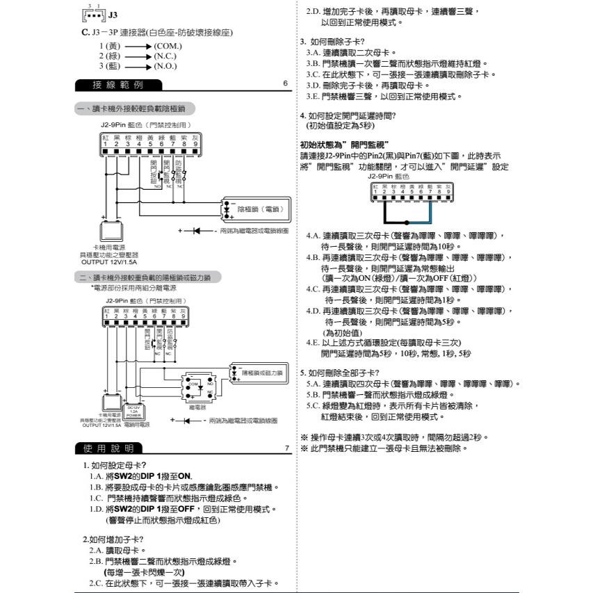
本商品適用活動
    • 折價券
    • 【適用點數折抵】下單滿$299贈中美式(2/1-2/28 限5000份)
    • 折價券
    • $77全站免運-超取常溫-週末限定 (2/06 10:00-2/08)
    • 折價券
    • $77全站免運-超取常溫-新春開運購 (2/03 10:00-2/12)

昌運監視器 PP-360 Mifare 單機離線型門禁讀卡機 防水防塵 學習帶入式1000張卡片(請來電洽詢)

商品編號:P3838605758412 原始貨號:P3838605758412
$ 99,999
預計出貨天數3
數量
  • 付款方式:
    線上刷卡 / 刷卡分期
  • 運送方式:
    宅配

商品特色

-經典設計適於空間狹窄處安裝使用 -最大使用人數1000人 (單機模式) -具電源及狀態指示燈及聲響提示 -內建乾接點輸出,可搭配各種電鎖使用 -防水防塵戶外使用
敲敲話
敲敲話