商品評價 :
分享 :
本商品適用活動
    • 折價券
    • $77全站免運-超取常溫-週末限定 (12/19-12/21)
    • 折價券
    • $77全站免運-超取常溫-雙12年終大回饋 (12/17-12/23)
    • 折價券
    • $888折50-雙12年終大回饋 (12/17-12/23)
    • 折價券
    • $2499折120-雙12年終大回饋 (12/17-12/23)

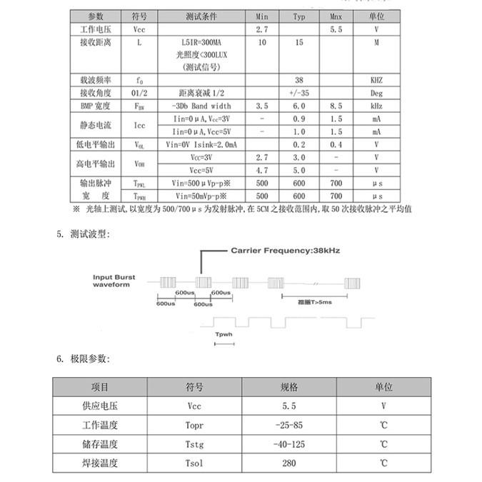
►112◄紅外線接收器1838B 一體萬能接收頭紅外接收頭 帶鐵殼 紅外線 IR 接收器 接收頭 38Khz 帶金屬殼

商品編號:P7349910550817 原始貨號:112
$ 3
預計出貨天數2
數量
  • 付款方式:
    超商取貨付款
  • 運送方式:
    常溫7-ELEVEN店到店取貨付款

商品特色

紅外線接收器
敲敲話
敲敲話